Mechanical and System Development
UV-LED Reactors for Municipal Water Treatment Plant
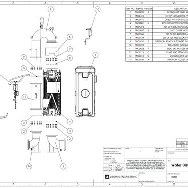
As the Lead Mechanical Engineer at Typhon Treatment Systems (now NUUV) on a groundbreaking project to design a high flow rate UV-LED reactor for a municipal water treatment plant in the UK, I was responsible for the overall design and system integration. My key contributions included design integration, performing CFD simulations, and overseeing the mechanical, hydraulic, and optical design of critical components and assemblies. I ensured all production drawings were approved and signed off, helping the project meet strict certification requirements such as U.S. Environmental Protection Agency validation and CE marking. To address complex retrofit challenges, the reactor was designed with a modular approach, allowing for flexible adaptation to site-specific demands. The innovative nature of this project garnered national attention, including a visit from HRH King Charles III (then The Prince of Wales) and local Member of Parliament Rory Stewart. This UV-LED technology is recognized as a major advancement in water treatment, setting new standards in efficiency and sustainability.
In the News: UV Reactor Innovation Royal Visit MP Rory Stewart Visit






CFD Modelling
Simulation Based Optimization of Hydro Turbine
The project focused on optimizing a commercial Pelton turbine to improve efficiency and reduce manufacturing costs. Using Computational Fluid Dynamics (CFD) and structural Finite Element Analysis (FEA), the turbine runner was refined based on field experience and real-world performance data. The work was carried out for Gilbert Gilkes & Gordon Ltd, resulting in a 2.5% efficiency improvement, which was validated through experimental testing.
The optimization also simplified the runner design by reducing the number of buckets, significantly lowering manufacturing complexity and cost while maintaining performance. Advanced CFD and FEA techniques were applied to balance accuracy with computational efficiency. By focusing on key design parameters and using symmetry and targeted mesh refinement, performance improvements were reliably predicted without excessive computational expense, keeping the project both technically robust and commercially viable.
The optimized runner geometry has since been implemented in operational turbines, both in new installations and in refurbishment projects of existing sites.









Technical Software Development
Developing an Integrated Dose Model in Matlab
I developed a numerical modeling tool and methodology to evaluate the performance of a UV-LED water treatment reactor. This multidisciplinary project combined Computational Fluid Dynamics (CFD) to predict flow trajectories inside the reactor and ray tracing to simulate UV light propagation from LEDs. By integrating these models, I was able to accurately assess the UV dose received by pathogens traveling through the reactor.
This tool and its accompanying methodology were critical in the development of the UV-LED based water treatment reactor, providing key insights into its efficiency and effectiveness. The results were presented at the World Congress organized by the International UV Association (IUVA), a leading professional body in this field.
Complete recorded presentation available here: IUVA World Congress






Concept-to-Product Implementation
Concept Visualizations and Design Development for Antarctic Equipment
The project involved creating a 3D CAD model and rendering images to visualize the concept for an ocean profiler system designed for use in Antarctica. Led by a team from the University of California San Diego, Scripps Institution of Oceanography, the task required translating a 2D sketch into a 3D model to support early-stage design decisions and secure funding. The initial renderings were instrumental in conveying the concept and helping to visualize the system.
Building upon the initial stage, the next phase focused on finalizing the system’s structural design with updated component weights, conducting stress analysis to determine the viability of fiber-reinforced plastic (FRP) materials, and designing additional components such as a water sampler guide and a stabilizing sail/fin. The deliverables included PDF drawings and STEP files for manufacturing, along with an animation illustrating key deployment and retrieval operations of the equipment. This visualization and design work helped the client progress the project at a demanding pace.
In the News: Antarctic Glacier Research








Let’s start a conversation about your project.
Don’t hesitate to contact me.
